波長355nm・1mJ @3kHz
低価格・UVナノ秒レーザー『AO-355A-3W』

波長355nm・平均パワー3Wの高エネルギーDPSSレーザーです。短パルス<15ns、繰り返し1-10kHz可変、パルスエネルギー1mJ @3kHzの仕様です。制御はコントローラおよびパソコン(専用ソフト)にて行います。外部トリガーにも同期できる優れもので、何よりもコスト効率が高いレーザーです。空冷でコンパクトな筐体は研究のみならずOEM用途にも適したレーザーです。
メーカー
CNI Laser(中国)
特徴
- コスト効率の高い355nmレーザー
- 高エネルギー 1mJ @3kHz
- 平均パワー 3W
- パルス幅 < 15ns
- 外部トリガー駆動可能
- パソコン制御可能
仕様
| 波長 | 355 nm |
|---|---|
| パルスエネルギー | 1 mJ @ 3 kHz |
| パルス繰り返し | 1 〜 10 KHz可変 |
| 平均パワー | 3 W @ 3 kHz |
| 532nm残存ビームパワー | 90 mW |
| パルス幅 | < 15ns @ 3 kHz |
| パワー安定性 | < 1 % |
| ビーム径 | 0.6 mm |
| ビーム広がり角 | < 2 mrad |
| レーザーヘッド寸法 | 372×180×120.5 mm |
| 重量 | 9.4 kg |
| 冷却 | 空冷 |
カタログ
実機写真・データ
パワー測定
レーザーコントローラ

制御ソフト
光スペクトル

パルス幅 12ns

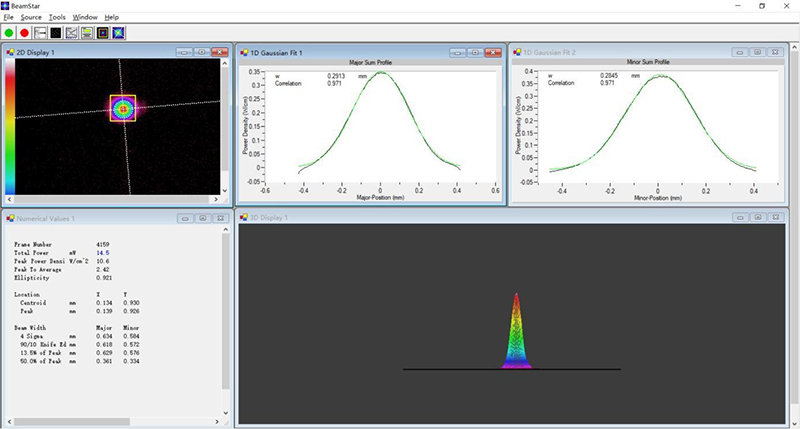
ビームプロファイル

532nm成分が混じったビーム
外部トリガー駆動
コントローラからの同期信号出力
YouTube動画


